深圳蒲江機電有限公司 |
|
| 聯系人:陳凱 | 電話:0755-86170789 |
| 傳真:0755-86171515 | 地址:深圳市南山區創業路現代城華庭四棟10A |
| 郵編:518000 | 郵箱:2480713845@qq.com |
| 網址:http://www.szpujiang.com | |
硬齒面減速機GHM系列
產品參數:產品型號: GHM額定功率:200W-23000W電壓:null轉速/極數:null減速比:1/10-1/200安裝方式:null
詳細參數
硬齒面減速機GHM系列為成大公司產品,結構為斜齒加蝸齒輪結構,出力孔徑有大小,兩種,入力方向與馬達連接。硬齒面減速機有時也叫硬齒面減速器或硬齒面減速馬達。
硬齒面減速機GHM系列特點:
1、K系列減速機,結合國際技術要求制造,具有很高的科技含量。
2、節省空間,可靠耐用,承受過載能力高,功率可達200KW以上。
3、能耗低,性能優越,減速機效率高達95%以上。
4、振動小,噪音低,節能高。
5、選用優質段鋼材料,鋼性鑄鐵箱體,齒輪表面經過高頻熱處理。
6、經過精密加工,構成了斜齒輪、傘齒輪、錐齒輪傳動總成的減速機配置各種類電機,形成機電一體化,完全保證了產品使用質量特征。
重要說明:
為降低蝸桿牙口和蝸輪齒部齒合時之集中磨耗,本公司產品中下列型號(SIZE)之實際速比,采用(追逐齒輪)(HuntingTooth)速比設計為非整數比,敬請用戶注意。
1. 型號(SIZE)50,60,70,80,100,120,135,155,175及225型之速比10:1,其實際速比為10.3333:1(RATIO 10:1,Actual ratio is 10.3333:1)
2. 型號(SIZE)50,60,70,80,100,120,135,155,及175型之速比20:1,其實速比為20.5:1(RATIO 20:1,Actual ratio is 20.5:1)
3. 型號(SIZE)40,50,60及70型之速比5:1,其實際速比為5.25:1(RATIO 5:1,Actual ratio is 5.25:1)
硬齒面減速機GHM系列操作需知:
此操作需知是為了幫助你正確安裝及使用本減速機,為了防止問題產生,適當的安裝與操作是很重要的,而這個需知包含了重要的保養建意。
在出貨前每一臺成大減速機都經過檢驗及測試后才妥善包裝,不過當你收到貨品時請立刻檢查是否有短少或運輸損壞情況,若有,請記錄損壞或短少情形以便日后與運輸廠家求償,同時也請你通知成大公司貨品受損情況。
一:潤滑
1. 除非客人有特殊指定,否則成大公司會在一臺減速機出廠前根據安裝方式加適當及適量之潤滑油,若客戶欲自行加潤滑油也請根據潤滑油建議表適當添加。
二:長期儲存
1:如果減速機沒有立即安裝使用,請將它保存在干燥安全處所,而減速機經過長時間儲放后再使用,請你再聯系蒲江機電有限公司,我公司技術人員會告訴你應該使用前注意事項。
三:安裝附件于減速機軸心上。
1. 注意!不可重擊軸心!重擊軸心可能造成軸承傷害導致軸承壽命縮短,我們建議用加熟方式安裝,附件只要加熟到80℃就可以滑入軸心,如此可以減少軸承損損的可能性。軸心尺寸公差靖參考產品型號。
2. 安裝軸心聯軸器時應該正確的對心及校正以避免震動及聯軸器異常磨耗等情況發生,并且讓軸心上的免于提早損壞。
3. 為避免出力軸上之軸承承受極度的負載,請參照型錄上的可承受起吊荷重表,請不可超出限制,如果必須超出,建議荷重或是合并有額外軸向負載,請聯絡我們的工程師,因此時正確的使用應該同時考慮速度,旋轉方向,安裝位置,較大外來的軸向和徑向荷重等因素。
四:安裝與操作:
1:減速機安裝應考慮以下幾項因素:
01:環境因素應低于40℃。
02:通暢的通風環境。
03:保留適當的空間以便做設備上的檢修或更換。
2:減速機應該安置在平坦防震且堅固的機體上,準確的對心是非常重要的,安裝在不平坦的平面上會造成減速機機殼的拉扯甚至破損。
4. 基座平坦度公關請勿超出以下建議:
*77型或更小—0.1mm
*87型或更大—0.2mm
4.運輸過程中為防止減速機內潤滑油從透氣塞滲漏出來,出廠前我們會將透氣孔以紅色插梢堵住,請記得當你安裝好減速機運轉之前,一定要把透氣旋塞上的紅鈀插梢撥掉。
5.安裝前請再次檢視其輸入馬力,減速比與銘牌相符,并檢查減速機輸出軸之旋轉方向與需求一致。
五:保養
警告!在電源移出之前不可拆卸或更換設備。
1. 潤滑油油位與品質應為平時保養重點,且根據使用頻率也互不干涉狀況,潤滑油也必須據議表做換新動作。
2. 檢查聯軸器的同心度,鏈條及皮帶的權緊度,機座固定螺絲之緊度是否均適當,并請保持設備的清清潔。
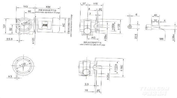
硬齒面減速機GHM系列詳細圖紙:









|
無錫二橡膠股份有限公司 |
常州市潤源經編機械有限公司 |
|
青島云龍紡織機械有限公司 |
黃石經緯紡織機械有限公司 |