深圳市雷賽智能控制股份有限公司 |
|
| 聯(lián)系人: | 電話:0755-26433338(20線) |
| 傳真:0755-26402718 | 地址:深圳市南山區(qū)登良路25號(hào)天安南油工業(yè)區(qū)二棟三樓 |
| 郵編:518052 | 郵箱:info@leisai.com |
| 網(wǎng)址:http://www.leisai.com | |
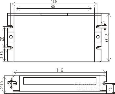
.jpg)
.jpg)
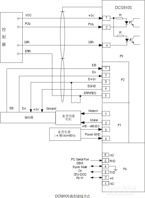
.jpg)









|
無(wú)錫二橡膠股份有限公司 |
常州市潤(rùn)源經(jīng)編機(jī)械有限公司 |
|
青島云龍紡織機(jī)械有限公司 |
黃石經(jīng)緯紡織機(jī)械有限公司 |