深圳蒲江機電有限公司 |
|
| 聯系人:陳凱 | 電話:0755-86170789 |
| 傳真:0755-86171515 | 地址:深圳市南山區創業路現代城華庭四棟10A |
| 郵編:518000 | 郵箱:2480713845@qq.com |
| 網址:http://www.szpujiang.com | |
.jpg)
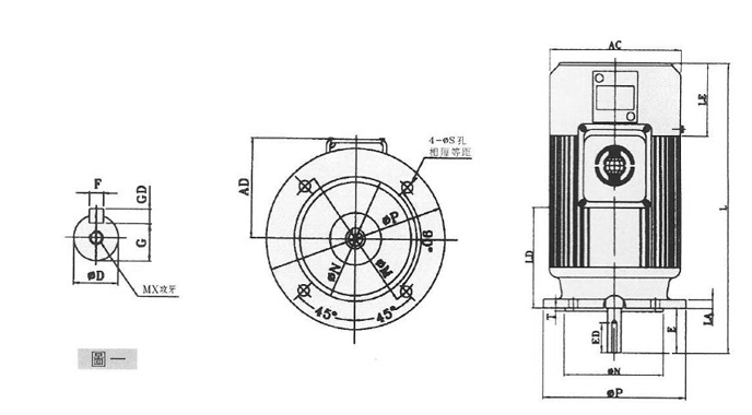
永元立式三相剎車馬達
產品參數:
產品型號: AEVF額定功率:1/4HP-60HP電壓:380V.220V轉速/極數:2級,4級,安裝方式:立式安裝
詳細參數永元立式三相剎車馬達:
采用直流剎車,低噪音,配合結線變化。可適用多種電源,特殊內部結構,剎車制動力高,馬達剎車靈活,對于緊急停止及動停止頻繁的耐力特強,防止機械逆轉及慣性大的重負載在短時間內停止,性能優越。
特點:
剎車噪音低,采用DC剎車,無電磁聲,剎車噪音極低。
剎車頻率高,剎車來令片使用高級非石棉材質,可耐較高頻度使用,磨耗率低,且無公害/
采用原裝日本剎車器,比一般國產的剎車器耐磨,剎車片可以使用100000以上,使用壽命長
永元立式三相剎車馬達最小1/4HP,最大100HP,歡迎您的來電查詢
另我司還有通電剎車馬達,
特點:1采用E級絕緣及高級導電材料,溫升低,壽命長,性能優越 2外型輕巧,堅固耐用3優越的設計,噪音低,運轉安靜 4 啟動轉矩大,慣性小,運轉順暢,省電效果較佳,馬達強勁有力。5特性合乎國家CNS及各項國際認證等標準。6標準IEC公制尺寸,具有互換性,適合各界需要
.jpg)









|
無錫二橡膠股份有限公司 |
常州市潤源經編機械有限公司 |
|
青島云龍紡織機械有限公司 |
黃石經緯紡織機械有限公司 |