公司名稱:連云港鷹游紡機有限責任公司
.jpg)
.gif)
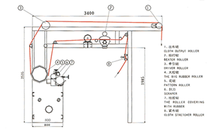
產品名稱: LMV327F毛尖拔色機
產品售價: 面議(電話:0518-85913340)
產品規格: LMV327F
產品備注: 幅寬:2350MM 2550MM
產品類別: 特整系列 → LMV327F毛尖拔色機
1.本機適用于造毛皮、仿獸皮等的毛尖拔色、上色、上膠。
2.幅寬:2350MM 2550MM
3.工作寬度:2000MM 2200MM
4.生產速度:0-16M/MIN
5.大膠輥直徑:460MM
6.花輥直徑: 148MM
7.掛膠輥直徑: 220MM
8.刮板厚度:5MM(銅板)0.2MM(不銹鋼板)
9.電動機總功率:4.07KW(不含風機)
10.機器重量:2000KG
11.外形尺寸:(長X寬X高)3400X3050X2535(MM)
電話:0518-85915139 85913340
傳真:0518-85915999
郵編:222062
地址:江蘇省連云港市海州開發區振興路1號
網址:http://www.lygtm.com/