噴氣織機的空氣輸送系統是由空氣壓縮機出來的壓縮空氣,經過配管到達織機上的空氣過濾器,過濾后的空氣經過氣壓調節箱內的調壓閥調節壓力后,分送到噴射裝置的各執行器件。圖2—3為ZA209i型噴氣織機的空氣輸送系統。
.jpg)
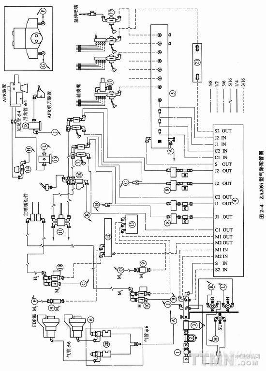
壓縮空氣輸送進織機,先經過濾器,濾除雜質,然后進氣壓調節箱,分路調壓后,輸至主氣包和輔氣包中,再經氣路的開關電磁閥輸至主噴嘴、輔噴嘴、剪切噴、延伸噴和緯紗處理系統的上吹、吸收和保持裝置。常噴和貯緯器所需的壓縮空氣直接由輔氣包經節流閥供給,不需要電磁閥控制。氣包除具有儲氣功能外,還起穩壓作用。主氣包用來儲存主噴嘴用的壓縮空氣。在多色時,特別是緯紗差異較大時,每個主噴嘴對應一個主氣包。輔氣包主要用來儲存輔噴嘴用壓縮空氣。輔噴嘴耗氣量占全部耗氣量的80%左右(參見氣路配管見圖2—4,各部分名稱和作用見表2—2)。
.jpg)
相關信息 







推薦企業
推薦企業
推薦企業