- [新聞]-->鷹游紡機:FA900針梳機
- [新聞]-->鷹游集團:老張與小張的行走人生
- [新聞]-->有容乃大 同贏天下
- [產品]-->SME472D雙輥三次正反面燙光機
- [產品]-->LMV330平幅連續(xù)式噴氣脫水機
- [產品]-->LMV561全自動平網(wǎng)磁棒印花機
- [視頻]-->鷹游紡機公司
- [視頻]-->SME485E 高速刷毛機-連云港鷹游紡機有限責任公司
- [視頻]-->MB331C碳纖維起毛機-連云港鷹游紡機有限責任公司
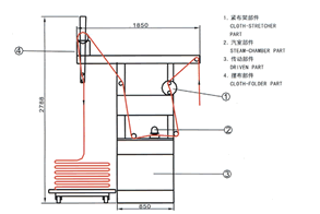
您所在的位置:紡機網(wǎng) >> 連云港鷹游紡機有限責任公司 >> LMV328E汽蒸定型機








