- [產品]-->直線系列AMZ直線
- [產品]-->臺灣潭子DS心軸分割器
- [產品]-->臺灣潭子DF凸緣型分割器
產品推薦
產品分類
聯系方式
- 聯系人:陳凱
- 郵 箱:2480713845@qq.com
- 地 址:深圳市南山區創業路現代城華庭四棟10A
- 手 機:18929311955
- 電 話:0755-86170789
- 傳 真:0755-86171515
- 網 址:http://www.szpujiang.com
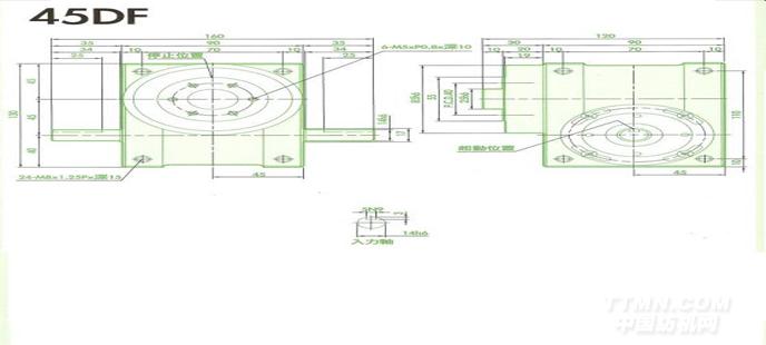
臺灣潭子DF凸緣型分割器
發布時間:2014-08-20
DF凸緣型分割器
產品參數:
產品型號: DF額定功率:null電壓:null風量:null風壓:null轉速/極數:null減速比:null安裝方式:null
詳細參數
臺灣DF凸緣型分割器是純機械結構,具有自鎖功能、分割精度高、順暢度良好、無噪音、可高速運作間歇傳動、運作平衡等顯著優點。產品廣泛用于各種多工位組合機床,機床加工中心、壓力機、電光源設備、自動送料機、印刷機械、食品包裝機械、制藥機械、玻璃陶瓷機械等,產品說明:左右搖擺、上下夾取系統緊密及高精度、高速度之夾取輸送、為您自動化系統提供了多變化流程功能。FN系列為出力軸上下往復運動兼間歇旋轉或左右搖擺運動之合成機種。FNL系列為出力軸凸緣分割盤面作間歇旋軸或左右搖擺運動。中空出力軸作上下往復運動與分割盤面各自分離作動。中心空可配合空油壓管路或電控線路。技術參數項目符號單位數值出力軸容許徑向負荷C1kgf5出力軸容許軸向負荷C2kgf9出力軸容許力矩Tskgf-m平臺桌面型型號:80DT產品說明:此系列機種之尺寸設計特性與凸緣型弁酮萓A於驅動運轉上可承受超大軸向負載及垂直徑向壓力,在輸出端有一凸起固定盤面及大孔徑空心軸,可搭配設置動態、靜態自動化周邊設備,可將動力源之電、油、氣管路置於空心孔內,此系列機種廣泛應用於重負載、直結自動化設備之各類機構及產業機械,作同步自動化間歇驅動。技術參數項目符號單位數值出力軸容陵|向負荷C1kgf520出力軸容雀b向負荷C2kgf220出力軸容酗O矩Tskgf-m參考力矩表入力軸容陵|向負荷C3kgf220入力軸最大彎曲力矩C4kgf160入力軸最大扭矩C5kgf-m 9.5入力軸的GD2(注1)C6kgf-m20.03定位分割精度sec.30重量kg20注1:入力軸的GD2是在停留範圍內的數值。注2:C1至C5數值是達到安全系數=2時的數值。






